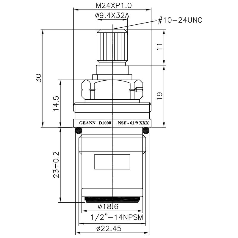
Robinet en laiton à deux poignées de 1/2 pouce de type HDP sans plomb, cartouche en céramique, dents 9.4 X 32A, type broche 422, 1/2"-14NPSM, fermeture à 90 degrés dans le sens des aiguilles d'une montre.
Type HDP
Robinet en laiton à deux poignées de 1/2 pouce 9.4 X 32A Dents 1/2"-14NPSM Cartouche en céramique à 90 degrés

Robinet en laiton à deux poignées de 1/2 pouce de type HDP sans plomb, cartouche en céramique, dents 9.4 X 32A, type broche 422, 1/2"-14NPSM, fermeture à 90 degrés dans le sens des aiguilles d'une montre.
Il existe deux types de cartouche en céramique réglable à deux poignées en laiton (tête de robinet). L'une est une cartouche en céramique réglable en longueur de broche et l'autre est une cartouche en céramique réglable en profondeur du corps principal.
La cartouche réglable en profondeur du corps est disponible pour effectuer l'ajustement lors de l'installation de différentes profondeurs de robinet. En serrant ou desserrant l'écrou, la cartouche réglable en profondeur du corps s'adapte facilement à différentes profondeurs de corps et offre un couple de rotation plus fluide.
La cartouche réglable en longueur du corps peut ajuster la longueur de la broche en fonction de la profondeur du mur. Grâce à une coupe facile, cette cartouche facilitera l'installation de robinets de lavabo à deux poignées dans les cuisines et salles de bains.
Avec des certificats mondiaux, nous avons l'expérience nécessaire pour aider les marques de robinets du monde entier à répondre correctement à leurs exigences, comme cUPC / NSF / WRAS / ACS / DVGW-KTW / Watermark.
Les matériaux de la cartouche en céramique réglable à deux poignées peuvent être en laiton normal, en laiton européen, en laiton DZR, en laiton sans plomb ou en acier inoxydable. Le filetage peut être G1/2"; 1/2"-14NPSM, etc. L'angle de rotation peut être de 90°, 180°, 270° ; 1/4 de tour, 1/2 de tour, 3/4 de tour.
Comment nos partenaires du monde entier appellent-ils la cartouche en laiton?
Cartouche de vanne de robinet en céramique et en laiton; Joint d'insertion; Cartouche de vanne généralisée; Cartouche en céramique avec coque en laiton; Mécanisme de tête.
Depuis les années 1970, Geann est l'expert en cartouche céramique (Headwork) depuis des décennies. Doté de la machine CNC la plus avancée et d'un centre d'assemblage automatique, Geann est en mesure de répondre rapidement et efficacement à toute demande. De plus, nos matériaux de haute qualité tels que le laiton sans plomb, le laiton européen et le laiton normal proviennent tous de fournisseurs fiables, garantissant une qualité stable.
Geann a développé des milliers de cartouches en céramique en laiton à deux poignées, offrant plus d'options de design pour les designers et les techniciens. Si vous ne trouvez pas le type de cartouche approprié, l'équipe de vente de Geann se fera un plaisir de vous aider.
Apparence
Caractéristiques
- Ajustez facilement le couple de rotation et adaptez-vous à différentes profondeurs de corps et de paroi.
- Un design de siège spécial offre un meilleur couple de fonctionnement pour les consommateurs et une tolérance d'installation.
- En tant que consultant en cartouches, l'équipe de Geann peut s'assurer que les cartouches sont parfaitement compatibles avec votre robinet.
- Conforme aux certificats mondiaux, tels que cUPC / NSF / WRAS / ACS / DVGW-KTW / Watermark.
Débit
Manuel d'instructions du produit
Le processus de commande et le délai de livraison
Envoyez une demande à Geann, nous vous répondrons dans un délai d'un jour.
Nous fournissons des échantillons gratuits selon votre demande.
Une fois la commande confirmée et le paiement reçu, le délai de production est inférieur à 30 jours.
Spécifications
- Disponible pour différentes dimensions et dents de spline.
- Supporte plus de 500 000 cycles, conformes au test de cycle cUPC ASME A112.18.1.
| Filetage | Matériau | Angle de rotation |
|---|---|---|
| G 1/2" ; 1/2"-14NPSM, etc. | Laiton normal / Laiton européen / Laiton DZR / Laiton sans plomb / Acier inoxydable | 90°, 180°, 270°; 1/4 de tour, 1/2 tour, 3/4 de tour Gamme de quart de tour, Gamme de demi-tour, Gamme de trois quarts de tour |
- Galerie de photos
-
-
Cartouche en céramique à deux poignées en laiton de demi-pouce.
-
Cartouche en céramique à deux poignées en laiton de demi-pouce.
-
Cartouche en céramique réglable à deux poignées en laiton (tête de robinet)
-
Deux poignées Robinet Cartouche en céramique (Tête de travail)
-
Ligne de produits de cartouches Geann
-
- Téléchargement de fichiers
-
-
Catalogue de cartouche en céramique à deux poignées
Le catalogue comprend les dimensions des cartouches largement utilisées dans le monde.
-
Communiqué de presse
-
Toutes les cartouches sont conformes à la loi californienne AB100Les cartouches et les valves Geann sont conformes à la loi californienne AB100. Nos produits sont certifiés par NSF International et IAPMO.
Lire la suite -
Cartouche en plastique pour robinet de 1/2 pouceCartouche en plastique céramique pour robinet à deux poignées de 1/2 pouce pour application sur lavabo.
Lire la suite -
Valve de pression équilibrée avec déviateurValve de pression équilibrée avec déviateur pour application anti-brûlure et douche.
Lire la suite

