Cartuccia deviatrice da vasca e doccia in ottone da 1/2 pollice 65mm a 2 vie
DHIM62716E-DR-PH
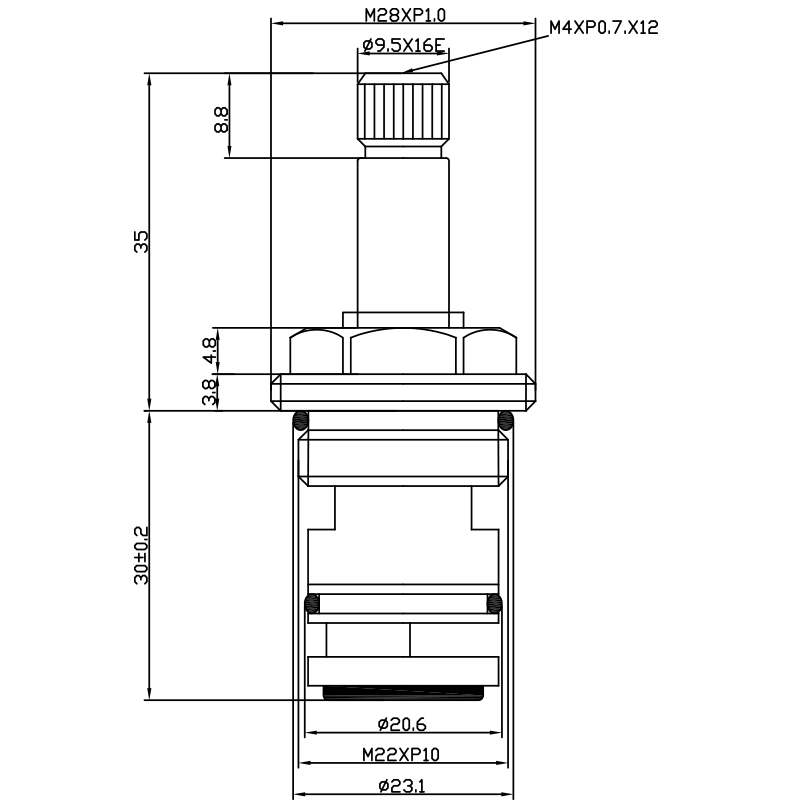
Cartuccia deviatrice ceramica on/off da 1/2 pollice, cartuccia deviatrice con mandrino a 16 denti e rotazione di 180 gradi (filettatura M28 x P1.0)
Geann progetta un cartuccia deviatrice in ottone ceramico da mezzo pollice a 2 vie per adattarsi a combinazioni di rubinetti da vasca e doccia. Questa cartuccia deviatrice in ottone ceramico può facilmente deviare l'acqua tra il soffione della doccia, la doccia a mano o il beccuccio.
Abbiamo la certificazione ISO9001:2015 e abbiamo ottenuto numerosi certificati per i nostri prodotti, come NSF61/9-G, cUPC, WRAS, ACS, DVGW-KTW, W270, Watermark, ecc. Utilizziamo macchine CNC all'avanguardia e un centro di assemblaggio automatico per produrre cartucce e valvole di alta qualità. Ciò ci consente di collaborare con marchi di rubinetteria di fama mondiale e di guadagnare una buona reputazione dai partner. Se desideri più di un semplice fornitore, potremmo essere proprio quello di cui hai bisogno e ciò che possiamo offrire supererà tutte le tue aspettative. Siamo più che felici di aiutarti con qualsiasi richiesta.
Caratteristiche
- Dimensione per corpo valvola: 65mm
- Filettatura per installazione: M22 X P1.0
- Dimensione di serraggio: 21 mm in HEX.
- Filettatura per tappo: M28 x P1.0
- Dimensione per maniglia: albero con 16 denti di diametro 9,5mm
- Porte di Flusso: 2 porte in funzione condivisa
- Angolo di Operazione: Movimento totale di 180 gradi e 90 gradi per ogni porta.
Informazioni Tecniche
- Materiale disponibile: ottone normale, ottone di grado EU 4MS, ottone senza piombo per AB1953 e NSF372.
- Pressione dell'acqua: 0 - 5 Bar (valore raccomandato)
- Coppia di serraggio del tappo: 8 ~ 10 N-m
- Coppia di funzionamento del gambo: 5,1 N-m (max)
- Materiale del disco ceramico: AL2O3 92% - 96%
- Temperatura: 90°C (max), utilizzo normale 65°C
- Test di Resistenza: 15000 (standard ASMEA112.18.1 5.6)
- Certificazioni: NSF61-9 / IAPMO / WRAS / ACS / KTW-BWGL / WATERMARK.
- Prodotto senza piombo, ecologico. Soddisfa California AB1953 / NSF372 / ROHS / REACH.
Portata
Il Processo d'Ordine e il Tempo di Consegna
Invia un'inchiesta a Geann, ti risponderemo entro 1 giorno.
Forniamo campioni gratuiti come richiesto
Una volta confermato l'ordine e ricevuto il pagamento, il tempo di produzione è inferiore a 30 giorni.
- Galleria Fotografica
- Download dei File
-
Comunicato Stampa
-
Tutte le cartucce conformi alla legge AB100 della CaliforniaLe cartucce e le valvole Geann sono conformi alla legge AB100 della California. I nostri prodotti sono certificati sia da NSF International che da IAPMO.
Leggi di più -
Cartuccia di plastica per rubinetto da 1/2 polliceCartuccia in ceramica di plastica per rubinetto a due maniglie da 1/2 pollice per applicazioni su lavabo.
Leggi di più -
Valvola di bilanciamento della pressione con deviatoreValvola di bilanciamento della pressione con deviatore per applicazioni anti-scarico e doccia.
Leggi di più


